آیین‌نامه‌ها

صفحه اصلی / آیین‌نامه‌ها / مبحث دهم مقررات ملی ساختمان (طرح و اجرای ساختمان‌های فولادی)
8-4-10 رواداری ها

8-4-10 رواداری ها

1-8-4-10 رواداری‌های جوش

1-1-8-4-10 قطعاتی که باید به وسیله جوش گوشه به یکدیگر جوش شوند، باید تا حد امکان در تماس نزدیک با یکدیگر باشند. فاصله ریشه (بازشدگی درز) نباید از 5 میلی‌متر بزرگتر گردد. اگر فاصله ریشه جوش گوشه از 2 میلی‌متر بزرگتر شود، اندازه ساقهای جوش مندرج در نقشه، باید به اندازه آن افزایش یابد، یا مهندس طراح باید تأیید نماید که ضخامت مؤثر گلوی موردنظر طراحی حاصل شده است (شکل 10-4-8).

بازشدگی بین سطوح در تماس جوش‌های انگشتانه و کام و هم‌چنین فاصله بین تسمه پشت‌بند با ورق در درزهای لب به لب نباید از 2 میلی‌متر بزرگتر گردد. استفاده از مصالح پرکننده مجاز نیست، مگر اینکه استفاده از آن در نقشه‌ها تصریح شده باشد یا به تائید مهندس طراح برسد.

بازشدگی ریشه

شکل 10-4-8: بازشدگی ریشه

2-1-8-4-10 قطعاتی که با جوش شیاری به صورت لب به لب به یکدیگر متصل می‌شوند، باید با دقت با یکدیگر همباد و تراز شوند. حداکثر ناهمترازی بین دو قطعه، مساوی 10 درصد ضخامت قطعه نازک‌تر و حداکثر 3 میلی‌متر است. برای اصلاح ناهمترازی نباید شیبی بزرگتر از 4 درصد در جوش به وجود آورد. ناهمترازی باید بر مبنای میانتار قطعات اندازه‌گیری شود، مگر اینکه در مشخصات فنی خصوصی به نحو دیگری مشخص شده باشد (شکل 10-4-9).

ناهمترازی و اصلاح آن

شکل 10-4-9: ناهمترازی و اصلاح آن

3-1-8-4-10 قطعاتی که توسط جوش شیاری با نفوذ نسبی در امتداد طولی به یکدیگر متصل می‌شوند، باید تا حد امکان در تماس با یکدیگر قرار گیرند. فاصله ریشه بین دو قطعه نباید از 5 میلی‌متر بزرگتر گردد.

4-1-8-4-10 رواداری‌های مربوط به زاویة شیار، فصله ریشه (R) و ضخامت ریشه (f) در جدول 10-4-16 و شکل 10-4-10 نشان داده شده است. در صورتی که ابعاد و اندازه مقطع جوش اختلافی بیش از مقادیر ارائه شده در شکل با اندازه نشان داده شده در نقشه‌ها داشته باشد، درز با شرایط زیر قابل پذیرش است. در صورتی که اختلاف فاصله ریشه با مقدار نقشه بزرگتر از رواداری مجاز مذکور در شکل 10-4-10 باشد ولی از دو برابر ضخامت ورق نازکتر با 20 میلی‌متر (در کدام که کوچکتر باشند) بزرگ‌تر نباشد، با استفاده از جوش‌کاری (قبل از جوش‌کاری درز اتصال) قابل اصلاح است.

رواداری‌های مونتاژ در درزها با جوش شیاری

شکل 10-4-10: رواداری‌های مونتاژ در درزها با جوش شیاری

جدول 10-4-16: رواداری‌های مونتاژ در درزها با جوش شیاری

  با جوش پشت بدون جوش پشت
1 – ضخامت ریشه (f) نامحدود ±2mm
2 – فاصله ریشه (R) الف – بدون استفاده از پشت‌بند

+2mm

-3 mm

± 2 mm
ب- با استفاده از پشت‌بند

+6 mm

-20 mm

3- زاویه شیار

+10°

-5°

+10°

-5°

5-1-8-4-10 قطعاتی که به یکدیگر جوش می‌شوند، باید همیاد یکدیگر قرار گرفته و تا اتمام جوش‌کاری، به وسیله پیچ، گیره، گوه، قید یا خال جوش در وضعیت خود تثبیت شوند. در صورت امکان استفاده از قیدها و قالبهای تثبیت کننده، توصیه می‌شود. لازم است در قیدها آزادی‌های حرکتی مناسب برای جمع‌شدگی و تابیدگی وجود داشته باشد. جمع‌شدگی و تابیدگی معمولاً با تغییرشکل‌های اولیه عمدی در خلاف جهت این آثار جبران می‌شود.

2-8-4-10 کنترل تابیدگی و جمع‌شدگی

1-2-8-4-10 در مونتاژ و انجام جوش درزهای اعضای ساخته شده از ورق یا نیمرخ و هم‌چنین تقویت نیمرخ‌ها، دستورالعمل و توالی جوش‌کاری باید طوری انتخاب شود که مقادیر تابیدگی و جمع‌شدگی حداقل گردد.

2-2-8-4-10 تا حد امکان، توالی جوشها باید طوری انتخاب شود که حرارت جوش‌کاری در حین پیشرفت جوش‌کاری، متعادل گردد.

3-2-8-4-10 سازنده باید روش مونتاژ، دستورالعمل جوش‌کاری و توالی جوش‌کاری را طوری انتخاب نماید که قطعه به دست آمده منطبق بر ضوابط کنترل کیفی قطعه باشد. قبل از شروع جوش‌کاری، توالی جوش‌کاری و برنامه کنترل تابیدگی باید جهت اطلاع و اظهارنظر به نماینده کارفرما تسلیم گردد.

4-2-8-4-10 مسیر پیشرفت جوش‌کاری یک عضو، باید از نقطه با گیرداری بیشتر به سمت نقطه با آزادی بیشتر باشد.

5-2-8-4-10 در هنگام مونتاژ، درزهایی که از آن‌ها انتظار جمع‌شدگی بزرگ‌تری می‌رود، باید قبل از درزهایی که انتظار جمع‌شدگی کمتری از آن‌ها داریم، جوش شوند. جوش‌کاری این درزها باید تا حد امکان با به‌کارگیری کمترین قیدهای حرکتی کمی انجام شود.

6-2-8-4-10 در ساخت اعضای ساخته شده از ورق و نیمرخ، قطعه‌سازی باید قبل از مونتاژ انجام گردد. یعنی ابتدا باید ورق‌ها مطابق ابعاد داده شده در نقشه‌ها سرهم کردند و سپس مونتاژ و جوش عضو انجام شود. اعضا با طول بلند را می‌توان به چند قطعه تقسیم نمود. در هنگام وصله کردن قطعات فوق در کارگاه یا کارخانه، جوش‌کاری بالها و جان باید نسبت به محورهای ضعیف و قوی مقطع، متعادل باشد.

7-2-8-4-10 در جوش‌کاری با وجود قیدهای خارجی ممانعت کننده از جمع‌شدگی، جوش‌کاری باید به طور پیوسته تا اتمام کل کار با رسیدن به نقطه‌ای انجام یابد که دارای آزادی حرکت است. در حین جوش‌کاری نباید اجازه داده شود دمای درز کمتر از دمای مقرر برای پیش گرمایش یا دمای بین دفعات عبور گردد.

3-8-4-10 رواداری‌های ابعادی

1-3-8-4-10 برای ستون‌ها و اعضای اصلی خرپا که با استفاده از جوش ساخته می‌شوند، بدون توجه به سطح مقطع عضو، میزان انحراف مجاز در هم راستایی عضو (انحراف محور عضو از خط راست) برابر است باز:

  • برای اعضای با طول کمتر از 9 متر:
  برای اعضای با طول کمتر از 9 متر
  • برای اعضای با طول 9تا 14متر مساوی 9میلی‌متر.
  • برای اعضای با طول بزرگتر از 14متر:
  برای اعضای با طول بزرگتر از 14متر

2-3-8-4-10 برای تیرها و شاه تیرهای جوش شده که در آن‌ها پیش‌خیزی در نظر گرفته نشده باشد، بدون توجه به شکل و ابعاد مقطع، میزان انحراف مجاز از راستای مستقیم برابر است با:

  میزان انحراف مجاز از راستای مستقیم

3-3-8-4-10 برای تیرها و شاه تیرها، (مختلط و غیرمختلط)، بدون توجه به شکل و ابعاد مقطع، در پیش نصب قطعات عضو در کارخانه، میزان انحراف مجاز از انحنای پیش‌خیز در نظر گرفته شده برای عضو (مطابق شکل 10-4-11) برابر است با:

روش اندازه‌گیری پیش‌خیز تیرها

شکل 10-4-11: روش اندازه‌گیری پیش‌خیز تیرها

در وسط دهانه: در وسط دهانه میزان انحراف مجاز باید مطابق جدول 10-4-17 در نظر گرفته شود.

جدول 10-4-17: میزان انحراف مجاز در وسط دهانه

طول دهانه انحراف مجاز
<20m 20mm+ تا 0-
20m≤ و 30m≥ 30mm+ تا 0-
> 30 m 40mm+ تا 0-

در تکیه‌گاه‌ها: در تکیه‌گاه‌ها میزان انحراف مجاز باید به شرح زیر در نظر گرفته شوند:

±0mm برای تکیه‌گاه‌های انتهایی

±3mm برای تکیه‌گاه‌های میانی

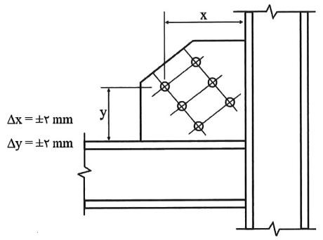
در نقاط میانی: در نقاط میانی میزان انحراف مجاز باید به شرح زیر در نظر گرفته شوند:

  میزان انحراف مجاز در نقاط میانی

که در آن:

a = فاصله نقطه موردنظر تا نزدیکترین تکیه‌گاه (متر)

s = طول دهانه (متر)

20 = b میلی‌متر برای دهانه‌های کوچک‌تر از 20 متر،

30 میلی‌متر برای دهانه‌های مساوی یا بزرگتر از 20 متر و کوچکتر از 30 متر،

40 میلی‌متر برای دهانه‌های مساوی یا بزرگتر از 30 متر

یادآوری: بدون توجه به چگونگی نمایش پیش‌خیز در نقشه‌ها، علامت (+) نشان دهنده بالای منحنی پیش‌خیز و علامت (-) نشان دهنده پایین این منحنی است.

اندازه‌گیری‌های پیش‌خیز باید در حالت بدون بار انجام شود.

4-3-8-4-10 برای تیرها با انحنای افقی، انحراف مجاز از منحنی مقرر در وسط دهانه برابر است با:

  انحراف مجاز از منحنی مقرر در وسط دهانه

مشروط بر اینکه تیر دارای انعطاف‌پذیری جانبی کافی برای اتصال مهاربندی عرضی بدون وارد نمودن آسیب به اعضای سازه‌ای باشد.

5-3-8-4-10 برای اعضای ساخته شده از ورق (نظیر مقاطع H و I و T)، حداکثر اختلاف بین محور مرکزی جان و محور مرکزی بال در محل‌های تماس، مساوی حداقل 0.01bf یا 6 میلی‌متر است (شکل 10-4-12).

رواداری محل اتصال جان به بال

شکل 10-4-12: رواداری محل اتصال جان به بال

6-3-8-4-10 برای تیرها، انحراف مجاز از صفحه‌ای بودن جان تیر مساوی d-150 بوده که در آن d ارتفاع تیر است.

7-3-4-8-10 میزان رواداری چرخشی و افتادگی بال و اعوجاج مقطع در مقاطع ساخته شده از ورق مطابق شکل 10-4-13 است:

رواداری‌های انحراف بال

شکل 10-4-13: رواداری‌های انحراف بال

8-3-8-4-10 برای تیرورق‌های ساخته شده از ورق، رواداری مجاز پهنای بال مساوی 3± میلی‌متر برای پهنای کوچکتر یا مساوى 300 میلی‌متر و 4± میلی‌متر برای پهنای بزرگتر است. رواداری مجاز در ارتفاع کل تیر که در صفحه مرکزی جان اندازه‌گیری می‌شود، مطابق جدول 10-4-18 است.

جدول 10-4-18: رواداری مجاز ارتفاع کل تیرورق

ارتفاع کل تیر (میلی‌متر) رواداری مجاز (میلی‌متر)
d≤900 ±3
900<d≤1800 ±5
d>1800 8+ و 5-
4-8-4-10 رواداری سخت‌کننده تکیه‌گاهی در محل بارهای متمرکز

انتهای سخت‌کننده تکیه‌گاهی باید نسبت به جان گونیا و در تماس با بال باشد. حداقل 75 درصد مساحت کل سخت‌کننده باید در تماس با بال باشد.

سطح خارجی بال تیر که بر صفحه نشیمن فولادی تکیه می‌کند، در 75 درصد سطح تصویر جان و سخت‌کننده‌ها باید در تماس با صفحه نشیمن با حداکثر 0.25 میلی‌متر جدایی باشد. در 25 درصد باقی مانده حداکثر جدایی 1 میلی‌متر است. در صورتی که سخت‌کننده انتهایی موجود نباشد، حداکثر جدایی در 75 درصد سطح تصویر جان، 0.25 میلی‌متر و مساوی 1 میلی‌متر در 25 درصد سطح باقی مانده است. در این حالت زاویه بین بال تحتانی و جان (با حفظ رواداری بند 10-4-8-3-7) باید 90 درجه باشد. شکل‌های 10-4-14 و 10-4-15 رواداری‌های فوق را نشان می‌دهند.

رواداری در محل تماس تیر با تکیه‌گاه – تیر با سخت‌کننده تکیه‌گاهی

شکل 10-4-14: رواداری در محل تماس تیر با تکیه‌گاه – تیر با سخت‌کننده تکیه‌گاهی

رواداری در محل تماس تیر با تکیه‌گاه – تیر بدون سخت‌کننده تکیه‌گاهی

شکل 10-4-15: رواداری در محل تماس تیر با تکیه‌گاه – تیر بدون سخت‌کننده تکیه‌گاهی

1-4-8-4-10 هم امتداد بودن سخت‌کننده‌های اتکایی جفت: حداکثر رواداری غیرهم راستا بودن سخت‌کننده‌های اتکایی جفت که در طرفین جان عضو قرار دارند، نسبت به یکدیگر مساوی tw-3 است. tw ضخامت جان عضو است.

2-4-8-4-10 انحنای داخل و خارج از صفحه لبه سخت‌کننده‌های تکیه‌گاهی و جانمایی آن:

میزان حداکثر رواداری در انحنای سخت‌کننده‌های تکیه‌گاهی مطابق جدول 10-4-19 است:

جدول 10-4-19: انحنای سخت‌کننده‌های تکیه‌گاهی

رواداری (میلی‌متر) ارتفاع تیر ورق (میلی‌متر)
6 ≤1800
13 > 1800

 حداکثر رواداری انحراف محور مرکزی واقعی سخت‌کننده از محور مرکزی مقرر آن مساوی t-2 است. t ضخامت سخت‌کننده است.

5-8-4-10 رواداری سخت‌کننده‌های میانی

1-5-8-4-10 انحنای داخل و خارج از صفحه لبه سخت‌کننده‌های میانی:

میزان حداکثر رواداری در انحنای سخت‌کننده میانی مطابق جدول 10-4-20 است:

جدول 10-4-20: انحنای سخت‌کننده میانی

رواداری (میلی‌متر) ارتفاع تیر (میلی‌متر)
13 ≤1800
20 > 1800
6-8-4-10 ناشاقولی ستون‌ها

در خصوص کنترل ناشاقولی ستون‌ها رعایت الزامات زیر ضروری است:

الف) حداکثر جابه جایی محور ستون از محل مقرر در نقشه‌ها مساوی 6± میلی‌متر است.

ب) رواداری ناشاقولی ستون‌های خارجی به سمت نما و تمام ستون‌ها به سمت داخل ساختمان، مطابق شکل 10-4-16 است. رواداری ناشاقولی ستون‌های مجاور شفت آسانسور مثل ستون‌های خارجی به سمت نما است.

پوش لاشاقولی ستون

شکل 10-4-16: پوش لاشاقولی ستون

ت) در شکل 10-4-17 پوش رواداری ناراستایی ستون‌های محور نمای ساختمان نشان داده شده است.

در مورد ستون‌های داخلی، نارستایی در محدوده پوش ناشاقولی مجاز است (شکل 10-4-18).

ث) رواداری ابعادی عرض و ارتفاع مقطع ستون مساوی 4± میلی‌متر است.

ناراستایی ستون‌های محور خارجی

شکل 10-4-17: ناراستایی ستون‌های محور خارجی

ناراستایی ستون‌های داخلی

شکل 10-4-18: ناراستایی ستون‌های داخلی

7-8-4-10 رواداری مرکز سوراخ پیچها

در خصوص رواداری مرکز سوراخ پیچ‌ها، رعایت الزامات زیر ضروری است:

الف) رواداری هم محور بودن مرکز سوراخ پیچ‌ها در دو قطعه متصل شونده مطابق شکل 10-4-19 است:

هم محور بودن مرکز سوراخ پیچ‌ها در دو قطعه متصل شونده

شکل 10-4-19: هم محور بودن مرکز سوراخ پیچ‌ها در دو قطعه متصل شونده

ب) رواداری فواصل مرکز سوراخ پیچ‌ها نسبت به فواصل مقرر در نقشه‌ها مطابق شکل 10-4-20 است:

رواداری فواصل مرکز سوراخ پیچها نسبت به فواصل مقرر در نقشه‌ها

شکل 10-4-20: رواداری فواصل مرکز سوراخ پیچها نسبت به فواصل مقرر در نقشه‌ها

پ) رواداری مختصات مرکز سوراخ پیچ‌ها نسبت به مختصات مقرر در نقشه‌ها مطابق شکل 10-4-21 است:

رواداری مختصات سوراخ پیج‌ها نسبت به مختصات مقرر در نقشه‌ها

شکل 10-4-21: رواداری مختصات سوراخ پیج‌ها نسبت به مختصات مقرر در نقشه‌ها

همه فصول

مشخصات آیین‌نامه

تعداد فصول: 39 فصل
سال انتشار: 1401
ویرایش: پنجم

جستجو در آیین‌نامه‌ها

ناشرین آیین‌نامه‌ها

مقررات ملی ساختمان

قوانین، آیین‌نامه‌ها، شیوه‌نامه‌ها، دستورالعمل‌ها و بخشنامه‌های ساختمان

نظام مهندسی ساختمان

ضوابط، بخشنامه‌ها، نشریه‌ها و معیار‌های فنی نظام مهندسی ساختمان

مرکز تحقیقات راه، مسکن و شهرسازی

قوانین، آیین‌نامه‌ها و بخشنامه‌های مرکز تحقیقات راه، مسکن و شهرسازی

سازمان برنامه و بودجه کشور

ضوابط، بخشنامه‌ها و قوانین سازمان برنامه و بودجه کشور

سازمان ملی استاندارد ایران

استانداردهای کمیته‌های مختلف سازمان ملی استاندارد ایران

سازمان تامین اجتماعی کشور

مقررات و آیین‌نامه‌های درمانی و بیمه‌ای سازمان تامین اجتماعی کشور

ضوابط فنی و اجرایی شهرداری‌ها

ضوابط، بخشنامه‌ها، نشریه‌ها و معیار‌های فنی شهرداری‌های کشور

ضوابط فنی و اجرایی وزارت بهداشت

ضوابط، بخشنامه‌ها، نشریه‌ها و معیار‌های فنی وزارت بهداشت

ضوابط فنی و اجرایی وزارت نیرو-آبفا

ضوابط، بخشنامه‌ها، نشریه‌ها و معیار‌های فنی وزارت نیرو-آبفا

ضوابط سازمان بنادر و دریانوردی

ضوابط، بخشنامه‌ها، نشریه‌ها و معیار‌های فنی سازمان بنادر و دریانوردی

ضوابط فنی و اجرایی وزارت نفت

ضوابط، بخشنامه‌ها، نشریه‌ها و معیار‌های فنی وزارت نفت

قوانین و مقررات مالیاتی کشور

قوانین، مقررات، ضوابط و دستورالعمل‌هاى مالیاتى سازمان مالیات كشور

تازه‌ترین فصل‌ها

واژه‌نامه

مبحث هفدهم مقررات ملی ساختمان (سامانه گاز طبیعی در ساختمان)

پیوست ۶ دسته‌بندی نوع دستگاه‌‌‌های گازسوز

مبحث هفدهم مقررات ملی ساختمان (سامانه گاز طبیعی در ساختمان)

پیوست 5 شکل‌ها

مبحث هفدهم مقررات ملی ساختمان (سامانه گاز طبیعی در ساختمان)

پیوست 4 جدول‌ها

مبحث هفدهم مقررات ملی ساختمان (سامانه گاز طبیعی در ساختمان)

پیوست 3 ایمنی و ضوابط بهره‌برداری و نگهداری از سیستم لوله‌‌کشی گاز

مبحث هفدهم مقررات ملی ساختمان (سامانه گاز طبیعی در ساختمان)

پیوست 2 نمونه محاسبات

مبحث هفدهم مقررات ملی ساختمان (سامانه گاز طبیعی در ساختمان)

پیوست 1 راهنمای ایمنی

مبحث هفدهم مقررات ملی ساختمان (سامانه گاز طبیعی در ساختمان)