آیین‌نامه‌ها

صفحه اصلی / آیین‌نامه‌ها / مبحث دهم مقررات ملی ساختمان (طرح و اجرای ساختمان‌های فولادی)
2-3-10 الزامات لرزه‌ای عمومی

2-3-10 الزامات لرزه‌ای عمومی

1-2-3-10 الزامات لرزه‌ای مصالح
1-1-2-3-10 فولاد سازه‌ای

فولاد مورد استفاده در سیستم‌های باربر جانبی لرزه‌ای، علاوه بر رعایت ضوابط بخش 10-1-4، رعایت ضوابط لرزه‌ای این بند نیز ضروری است. تنش تسلیم مشخصه فولاد در اعضایی که در آن‌ها انتظار رفتار فرا ارتجاعی محدود یا قابل ملاحظه می‌رود و جزئی از سیستم‌های باربر جانبی لرزه‌ای متوسط یا ویژه هستند، نباید از 355 مگاپاسکال تجاوز نماید. در این نوع سیستم‌های باربر جانبی لرزه‌ای نسبت تنش تسلیم به تنش کششی نهایی فولاد نباید از 0.8 بزرگ‌تر باشد.

تنش تسلیم مشخصه فولاد در اعضایی که در آن‌ها انتظار رفتار فرا ارتجاعی حداقل می‌رود و جزئی از سیستم‌های باربر جانبی لرزه‌ای معمولی هستند، نباید از 460 مگاپاسکال بیشتر باشد. در این نوع سیستم‌های باربر جانبی لرزه‌ای نسبت تنش تسلیم به تنش کششی نهایی فولاد نباید از 0.85 بزرگ‌تر باشد.

تبصره 1: تنش تسلیم مشخصه فولاد برای ستون‌ها سیستم‌های باربر جانبی لرزه‌ای قاب‌های خمشی فولادی ویژه، قاب‌های خمشی خرپایی ویژه، قاب‌های خمشی مختلط ویژه، قاب‌های مهاربندی شده همگرای مختلط ویژه و قاب‌های مهاربندی شده واگرای مختلط و نیز ستون‌های کلید قاب‌های مهاربندی شده فولادی و دیوارهای برشی فولادی (موضوع بخش 10-3-4) می‌تواند از 355 مگاپاسکال بزرگ‌تر باشد، اما درهرحال نباید از 460 مگاپاسکال تجاوز نماید.

تبصره 2: برای فولادهای ساختمانی بهبودیافته برای شرایط لرزهای معرفی شده در جدول 10-1-2 بخش 10-1-4، محدودیت حداکثر نسبت تنش تسلیم به تنش کششی نهایی باید مطابق یادداشت‌های موجود در زیر جدول مورداشاره در نظر گرفته شود.

تبصره 3: فولاد سازه‌ای مورد استفاده در اتصالات پای ستون‌ها و وصله ستون‌ها باید مشابه مصالح ستون باشد.

2-1-2-3-10 میل مهارها و میلگردها

مشخصات میل مهارهای مصرفی باید مطابق الزامات بند 10-1-4-4 باشد. چنانچه میل مهارها از نوع میلگردهای آج‌دار باشند، رعایت ضوابط لرزه‌ای مبحث نهم مقررات ملی ساختمان الزامی است. مشخصات میلگردهای مصرفی در اعضای بتن‌آرمه و اعضای با مقطع مختلط باید مطابق ضوابط لرزه‌ای مبحث نهم مقررات ملی ساختمان باشد.

3-1-2-3-10 بتن سازه‌ای

بتن مورد استفاده در اجزاء و اعضای بتن‌آرمه سیستم‌های باربر جانبی لرزه‌ای فولادی و نیز در اجزاء و اعضای مختلط سیستم‌های باربر جانبی لرزه‌ای مختلط، باید الزامات مبحث نهم مقررات ملی ساختمان را برآورده نماید.

4-1-2-3-10 تنش مورد انتظار مصالح

الف) تنش تسلیم مورد انتظار فولاد: تنش تسلیم مورد انتظار فولاد برابر RyFy بوده که در آن Fy تنش تسلیم مشخصه فولاد و Ry برابر نسبت تنش تسلیم مورد انتظار به تنش تسلیم مشخصه فولاد است که برای انواع تولیدات فولاد متفاوت بوده و به عوامل متعددی نظیر شکل مقاطع، افزودنی‌های به کار رفته در طی روند تولید فولاد در کارخانه‌ها بستگی دارد و مقدار آن باید مطابق جدول 10-3-2-1 در نظر گرفته شود.

ب) تنش کششی نهایی مورد انتظار فولاد: تنش کششی نهایی مورد انتظار فولاد برابر RtFu بوده که در آن Fu تنش کششی نهایی مشخصه فولاد و Rt برابر نسبت تنش کششی نهایی مورد انتظار به تنش کششی نهایی مشخص فولاد است و مقدار آن باید مطابق جدول 10-3-2-1 در نظر گرفته شود.

پ) تنش فشاری مورد انتظار بتن: تنش فشاری مورد انتظار بتن برابر Rcf’c بوده که در آن f’c تنش فشاری مشخصه نمونه استوانه‌ای بتن و Rc برابر نسبت تنش فشاری مورد انتظار به تنش فشاری مشخصه بتن است و مقدار آن باید مطابق جدول 10-3-2-1 در نظر گرفته شود.

جدول 10-3-2-1: مقادیر Ry و Rt فولاد و Rc بتن

مقادیر Ry و Rt فولاد
نوع مصالح Ry Rt
مقاطع لوله‌ای و قوطی شکل نوردشده 1.25 1.1
سایر مقاطع نور دشده I شکل و H شکل و ناودانی و سپری و نبشی 1.2 1.1
مقاطع ساخته شده از ورق، ورق‌ها و تسمه‌ها 1.15 1.1
میلگردها 1.2 1.2
مقادیر Rc بتن
تنش فشاری مشخصه بتن Rc
f’c≤50 MPa 1.4
f’c>50 MPa 1.2

ت) در مواردی که در بخش‌های این فصل مشخص گردیده است، مقاومت موردنیاز یک جزء، عضو یا اتصال باید براساس تنش تسلیم مورد انتظار (RyFy) عضو یا عضو مجاور (هرکدام کاربرد داشته باشند)، محاسبه شود.

ث) در اعضای مختلط هرگاه مقاومت اسمی عضو تابعی از تنش فشاری مشخصه نمونه استوانه‌ای بتن (f’c) باشد، در محاسبه مقاومت مورد انتظار عضو به جای f’c باید از Rcf’c استفاده شود.

ج) هرگاه مقاومت‌های موردنیاز برخی از مؤلفه‌های عضو یا مقاومت‌های موردنیاز نواحی تأثیرپذیر آن از مقاومت مورد انتظار مؤلفه‌های شکل‌پذیر همین عضو به دست آمده باشد، در محاسبه Rn آن‌ها به جای Fy می‌توان از RyFy و به جای Fu از RtFu استفاده کرد. این ضابطه برای اجزای اتصال همین عضو و اعضای مجاور آن قابل کاربرد نیست. از جمله موارد فوق می‌تواند شامل مقاومت موردنیاز تیر در خارج از ناحیه تیر پیوند در قاب‌های مهاربندی شده واگرای فولادی یا حالتهای حدی برش قالبی و گسیختگی کششی در مقطع خالص مؤثر عضو مهاربندی در قاب‌های مهاربندی شده فولادی همگرای ویژه باشد.

چ) در اعضایی که از آن‌ها انتظار رفتار فرا ارتجاعی محدود یا قابل ملاحظه می‌رود، استفاده از فولادهای با رده بالاتر به جای رده مشخص شده در طرح مجاز نیست. در اعضایی که از آن‌ها انتظار رفتار فرا ارتجاعی محدود یا قابل ملاحظه نمی‌رود، استفاده از فولادهای با رده بالاتر به جای رده مشخص شده در طرح به شرطی مجاز است که طراحی وصله و اتصالات آن‌ها براساس همین رده صورت گیرد.

5-1-2-3-10 مقاطع سنگین

در اعضای سیستم باربر جانبی لرزه‌ای، در مقاطع گرم نوردشده، فولاد سازه‌ای به کار رفته در بالهای با ضخامت مساوی یا بیشتر از 40 میلی‌متر باید دارای حداقل طاقت نمونه شیار داده شده شارپی 27 ژول در دمای 21 درجه سلسیوس باشد.

در اعضای سیستم باربر جانبی لرزه‌ای، در سایر مقاطع، فولاد سازه‌ای به کار رفته در ورق‌های با ضخامت 50 میلی‌متر و بیشتر که در موارد زیر استفاده می‌شود، در هر موقعیتی که از سوی روش‌های استاندارد مجاز دانسته شده است، باید دارای حداقل طاقت نمونه شیار داده شده شارپی 27 ژول در دمای 21 درجه سلسیوس باشد:

1- اعضای ساخته شده از ورق

2- ورق‌های اتصالی که انتظار می‌رود در آن‌ها در اثر بارهای لرزه‌ای، کرنش‌های غیرارتجاعی ایجاد گردد.

3- هسته فولادی مهاربندهای کمانش تاب

6-1-2-3-10 مصالح جوش

الف) جوش به کار رفته در سیستم‌های باربر جانبی لرزه‌ای

در کلیه جوش‌های به کار رفته در اعضا و اتصالات سیستم‌های باربر جانبی لرزه‌ای، مشخصات فلز پر کننده باید مطابق با مشخصات جدول 10-3-2-2 باشد.

جدول 10-3-2-2: مشخصات فلز پرکننده جوش به کار رفته در سیستم‌های باربر جانبی لرزه‌ای

مشخصات ردۀ الکترود (فلز پرکننده جوش)
E70 E80
تنش تسلیم حداقل 400 MPa حداقل 470 MPa
تنش کششی نهایی حداقل 490 MPa حداقل 550 MPa
تغییر طول نسبی حداقل 22 درصد حداقل 19 درصد
طاقت نمونه شیار داده شده شارپی حداقل 27 ژول در دمای منفی 18 درجه سلسیوس حداقل 27 ژول در دمای منفی 18 درجه سلسیوس

ب) جوش‌های بحرانی لرزه‌ای

در مواردی که در این فصل جوش‌ها به صورت جوش‌های بحرانی لرزه‌ای مشخص شده‌اند، فلز پر کننده جوش باید علاوه بر برآورده نمودن مشخصات جدول 10-3-2-2، باید مشخصات مطابق جدول 10-3-2-3 را نیز برآورده نماید.

جدول 10-3-2-3: مشخصات فلز پرکننده در جوش‌های بحرانی لرزه‌ای

مشخصات ردۀ الکترود (فلز پرکننده جوش)
E70 E80
تنش تسلیم حداقل 400 MPa حداقل 470 MPa
تنش کششی نهایی حداقل 490 MPa حداقل 550 MPa
تغییر طول نسبی حداقل 22 درصد حداقل 19 درصد
طاقت نمونه شیار داده شده شارپی حداقل 54 ژول در دمای 20 درجه سلسیوس حداقل 54 ژول در دمای 20 درجه سلسیوس
2-2-3-10 مدارک فنی (مدارک طراحی، نقشه‌های طراحی و مشخصات فنی)

مدارک فنی (مدارک طراحی، نقشه‌های طراحی و مشخصات فنی) علاوه بر مواردی که در فصل‌های 10-1، 10-2 و 10-4 الزام شده است، باید در برگیرنده موارد زیر نیز باشند:

الف) مشخص نمودن سیستم باربر جانبی لرزه‌ای

ب) مشخص نمودن اعضا و اتصالاتی که بخشی از سیستم باربر جانبی لرزه‌ای هستند.

پ) تعیین موقعیت و ابعاد هندسی نواحی حفاظت شده

ت) جزئیات اتصال بین دیافراگم کف و اعضای فولادی سیستم باربر جانبی لرزه‌ای

ث) الزامات مربوط به تهیه نقشه‌های کارگاهی ساخت و نصب که در فصل 10-4 به آن‌ها اشاره نشده است.

3-2-3-10 الزامات اجرایی لرزه‌ای در مدارک فنی
1-3-2-3-10 الزامات لرزه‌ای اجرای سازه‌های فولادی

علاوه بر الزامات بند 10-3-2-2، نقشه‌های طراحی سازه و الزامات ساخت سازه‌های فولادی، باید موارد زیر را نیز شامل شوند:

الف) پیکربندی اتصالات

ب) نوع مصالح و ابعاد اتصالات

پ) موقعیت جوش‌های بحرانی لرزه‌ای

ت) موقعیت‌هایی که در طراحی ورق‌های اتصال مهاربندی (ورق گاست) به گره اتصال امکان ایجاد چرخش‌های فرا ارتجاعی منظور شده باشد.

ث) موقعیت ورق‌های اتصالی که باید الزامات آزمایش طاقت نمونه شیار داده شده شارپی را داشته باشند.

ج) حداقل دمای شرایط سرویس پیش‌بینی شده برای سازه‌های فولادی که در معرض شرایط جوی قرار دارند.

چ) موقعیت‌هایی که پس از انجام جوش‌کاری، باید ورق پشت‌بند برداشته شود.

ح) موقعیت‌هایی که در شرایط حذف ننمودن ورق پشت‌بند، اجرای جوش گوشه اضافی الزامی است.

خ) موقعیت‌های که اجرای جوش گوشه برای تقویت جوش شیاری با نفوذ کامل یا بهبود هندسه اتصال الزامی است.

د) موقعیت‌هایی که پس از جوش‌کاری ورق‌های گوشواره‌ای جوش (ناودان انتهای جوش) باید برداشته شوند.

ذ) موقعیت‌های وصله که در آن‌ها تغییر تدریجی مقطع الزامی است.

ر) مشخصات درزهای اتصال جوش یا نحوه سرهم کردن اجزای اتصال که لازم است دارای مراحل جوش‌کاری خاص، تکنیک جوش‌کاری خاص یا هر شرایط از پیش تعیین شده‌ای باشد که قرار است مجری به اطلاع مهندس طراح جهت تأیید برساند.

2-3-2-3-10 الزامات لرزه‌ای اجرای سازه‌های مختلط

علاوه بر الزامات بند 10-3-2-3-1، در نقشه‌های سازه‌های با اعضای مختلط، موارد زیر نیز باید در نظر گرفته شوند:

الف) موقعیت میلگردها، محل قطع میلگردها، وصله‌های پوششی و مکانیکی و مهارهای مکانیکی، موقعیت تنگها و سایر آرماتورهای عرضی

ب) موقعیت برشگیرها (از نوع گل‌میخ یا ناودانی) و میلگردهای مهاری جوش شده

4-2-3-10 مبانی طراحی لرزه‌ای
1-4-2-3-10 کلیات

مقاومت موردنیاز و سایر الزامات طراحی لرزه‌ای، سطوح خطر و لرزه‌خیزی منطقه و محدودیت‌های ارتفاعی و نامنظمی برای انواع کاربردهای سازه باید براساس مبحث ششم مقررات ملی ساختمان و استاندارد 2800 در نظر گرفته شوند. هم‌چنین تغییرمکان جانبی نسبی طرح طبقه و محدودیت‌های آن باید براساس الزامات مقرر شده در مبحث ششم مقررات ملی ساختمان و استاندارد 2800 باشند.

2-4-2-3-10 بارها و ترکیبات بارگذاری

الف) کلیه اعضا، اجزاء و اتصالات سازه باید برای ترکیبات بارگذاری متعارف شامل زلزله طرح (E) پاسخگو باشند. نیروهای زلزله طرح (E) شامل دو دسته، نیروهای جانبی (Eh) که ناشی از اثر مؤلفه‌های افقی شتاب زلزله در ساختمان است و نیروی قائم (Ev) که ناشی از اثر مؤلفة قائم شتاب زلزله در ساختمان است، می‌شوند.

ب) در صورتی که مقاومت موردنیاز، مطابق الزامات این مبحث حاصل از بار زلزله افقی محدود به ظرفیت باشد، آثار بار لرزه‌ای محدود به ظرفیت (Ecl) باید مطابق الزامات این مبحث محاسبه و جایگزین Eh در ترکیبات بارگذاری شامل زلزله گردد.

پ) چنانچه مقاومت موردنیاز مطابق این مبحث حاصل از بار زلزله افقی تشدید یافته (Emh) باشد، آثار حاصل از Emh0Eh جایگزین Eh در ترکیبات شامل زلزله به کار گرفته می‌شود. چنانچه آثار بارگذاری حاصل از Emh از Ecl بیشتر باشد، می‌توان مقادیر آن را به Ecl محدود نمود.

ت) در سازه‌های مختلط، مقاومت موردنیاز اعضای بتن‌آرمه باید براساس ترکیبات بارگذاری نظیر الروش LRFD تعیین شود.

3-4-2-3-10 انواع سیستم‌های باربر جانبی لرزه‌ای

سیستم‌های باربر جانبی لرزه‌ای مورد استفاده در این مبحث باید از سیستم‌های باربر جانبی لرزه‌ای معرفی شده در استاندارد 2800 باشد که برای آن‌ها مشخصات Cd ،Ω0 ،R و محدودیت‌های کاربری و ارتفاعی برای مناطق لرزه‌خیزی مختلف داده شده است.

4-4-2-3-10 مقاومت‌های موردنیاز

مقاومت‌های موردنیاز اعضای سازه‌ای و اتصالات باید برابر بزرگترین مقدار به دست آمده از موارد زیر، درصورتی که در این مبحث مقرر شود، در نظر گرفته شوند:

الف) مقاومت‌های موردنیاز که از تحلیل سازه تحت اثر ترکیبات بارگذاری داده شده در مبحث ششم مقررات ملی ساختمانی محاسبه شود.

ب) مقاومت‌های موردنیاز که براساس بخش‌های 10-3-2 تا 10-3-6 برای هر یک از سیستم‌های باربر جانبی مقرر شده است، محاسبه گردند.

5-4-2-3-10 مقاومت‌های موجود

الف) مقاومت موجود، در طراحی به روش LRFD برابر با مقاومت طراحی (ϕRn) و در طراحی به روش ASD برابر با مقاومت مجاز (Rn/Ω) است. مقاومت موجود سیستم‌های باربر جانبی لرزه‌ای، اعضا و اتصالات باید براساس ضوابط فصل‌های 10-1و 10-2 تعیین شوند، مگر آنکه در این فصل (فصل 10-3) ضابطه دیگری الزام شده باشد.

ب) در مواردی که مقاومت موردنیاز اعضا، اجزاء و اتصالات براساس ترکیبات بارگذاری شامل زلزله طرح (E)، یا زلزله تشدید یافته (Emh) تعیین می‌شود، مقدار ضریب کاهش مقاومت (ϕ) و ضریب اطمینان (Ω) باید براساس مقادیر داده شده در فصل 10-2 تعیین شود. اما در مواردی که مقاومت موردنیاز اعضا، اجزاء و اتصالات براساس ترکیب بارگذاری شامل زلزله محدود به ظرفیت (Ecl) تعیین می‌شود، ضریب کاهش مقاومت (ϕ) و ضریب اطمینان (Ω) برای حالت‌های حدی تسلیم (حالت‌های حدی شکل‌پذیر) به جای 0.9 و 1.67 باید به ترتیب برابر 1.0 و 1.5 و برای حالت‌های حدی گسیختگی (حالت‌های حدی غیرشکل‌پذیر و ترد) به جای 0.75 و 2.00 باید به ترتیب برابر 0.9 و 1.67 در نظر گرفته شود.

5-2-3-10 دیافراگم‌ها، اجزای مرزی دیافراگم و جمع کننده

الف) دیافراگم‌های کف و اجزای مرزی در بخش خارجی آن باید براساس ترکیبات بارگذاری متعارف شامل زلزله طرح مطابق مبحث ششم مقررات ملی ساختمان و استاندارد 2800 طراحی شوند. اجزای جمع کننده شامل اتصال دیافراگم به سیستم باربر جانبی لرزه‌ای باید براساس ترکیبات بارگذاری شامل زلزله تشدید یافته طراحی شوند.

ب) چنانچه از یک خرپا به عنوان دیافراگم کف استفاده شود، کلیه اعضای خرپا و اتصالات آن‌ها باید براساس ترکیبات بارگذاری شامل زلزله تشدید یافته طراحی شوند. در دیافراگم‌های خرپایی، یال‌های خرپا باید مشابه ستون‌های قاب‌های مهاربندی شده فولادی همگرای ویژه طراحی شوند.

پ) کلیه دیافراگم‌ها (باربر یا غیرباربر لرزه‌ای) باید الزامات زیر را تأمین نمایند:

1- برای انتقال بار بین دیافراگم‌ها و اعضای مرزی، اجزای جمع کننده و اعضای افقی سیستم باربر جانبی، پیش‌بینی جزئیات مناسب الزامی است.

2- در دال‌های بتنی متکی بر تیر فولادی، برای حالت بدون استفاده از عرشه فولادی، مقاومت برشی اسمی دیافراگم در داخل صفحه باید براساس کل ضخامت دال بتنی و برای حالت استفاده از عرشه فولادی باید براساس ضخامت دال بتنی در روی کنگره ورق عرشه (بدون در نظر گرفتن بتن داخل کنگره‌ها) تعیین شود.

6-2-3-10 الزامات تحلیل
1-6-2-3-10 الزامات کلی تحلیل

تحلیل به کار گرفته شده برای طراحی سازه باید منطبق بر الزامات مبحث ششم مقررات ملی ساختمان و الزامات مقررشده در فصل 10-1 باشد.

2-6-2-3-10 تحلیل‌های تکمیلی

در مواردی که در سیستم‌های باربر جانبی لرزه‌ای الزام شده باشد، تحلیل‌های تکمیلی باید براساس مقاومت نظیر محدود به ظرفیت اعضای شکل‌پذیر، که در این مبحث مشخص شده است، صورت گیرد.

7-2-3-10 طبقه‌بندی مقاطع از منظر شکل‌پذیری

اعضای با شکل‌پذیری متوسط و زیاد قابل استفاده در سیستم‌های باربر جانبی لرزه‌ای باید الزامات این بخش را برآورده نمایند.

1-7-2-3-10 الزامات مقطع اعضای با شکل‌پذیری متوسط و زیاد

بالهای مقاطع اعضای فولادی و مقاطع اعضای مختلط پرشده با بتن و بال‌های اعضای مختلط با مقطع فولادی با دال بتنی متکی بر آن باید به طور پیوسته به جان یا جان‌های مقطع متصل باشد.

2-7-2-3-10 محدودیت‌های نسبت پهنا به ضخامت مقاطع اعضای فولادی و مختلط با شکل‌پذیری متوسط و زیاد

برای اعضای با شکل‌پذیری متوسط و زیاد که از آن‌ها انتظار تحمل تغییرشکل‌های فرا ارتجاعی محدود و قابل ملاحظه‌ای می‌رود، در رابطه با کمانش موضعی بالها و جان یا جانها، ضوابط سخت‌گیرانه تری در نظر گرفته شده است. به همین منظور برای اعضای با شکل‌پذیری متوسط و زیاد، نسبت پهنا به ضخامت اجزای فشاری مقطع فولادی و اجزای فولادی مقاطع مختلط پرشده با بتن نباید به ترتیب از مقادیر λmd و λhd ارائه شده در جدول 10-3-4 بیشتر شود.

جدول 10-3-2-4: محدودیت نسبت پهنا به ضخامت در اجزای فشاری اعضای با شکل‌پذیری متوسط و زیاد

  حالت شرح اجزاء نسبت پهنا به ضخامت حداکثر نسبت پهنا به ضخامت مثال‌های نمونه
λmd اعضای با شکل‌پذیری متوسط λhd اعضای با شکل‌پذیری زیاد
اجزای با یک لبه متکی 1

در تیرها، ستون‌ها و اعضای مهاربندی:

 

بال‌های مقاطع I شکل، ناودانی‌ها، سپری‌ها، ساق نبشی‌های تک و نبشی‌های دوبل با فاصله و ساق برجسته نبشی‌های دوبل به هم چسبیده نوردشده و ساخته شده از ورق

b/t

d/t

0.38-E-RyFy 0.3-E-RyFy مثال نمونه - حالت 1
2 بال‌های مقاطع شمع‌های H شکل b/t 0.45-E-RyFy کاربرد ندارد مثال نمونه - حالت 2
3 تیغه (جان) مقاطع سپری b/t 0.76-E-RyFy 0.65-E-RyFy مثال نمونه - حالت 3
اجزای با دو لبه متکی 4 بال‌ها و جان‌های مقاطع قوطی شکل (HSS) وقتی به عنوان مهاربند به کار می‌رود

 

 

بال‌های مقاطع I شکل جعبه‌ای شده

 

ورق‌های کناری مقاطع I شکل جعبه‌ای شده و بال‌ها و جان‌های مقاطع جعبه‌ای وقتی به عنوان مهاربند به کار می‌رود

 

بال‌های مقاطع جعبه‌ای وقتی به عنوان تیر پیوند به کار می‌رود

 

 

b/t

h/t

 

 

 

 

b/t

 

 

 

 

 

h/t

 

 

 

 

 

b/t

 

1.49-E-RyFy 1.49-E-RyFy مثال نمونه - حالت 4
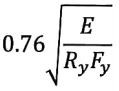
اجزای با دو لبه متکی 5 جان مقاطع I شکل و ناودانی نوردشده و ساخته شده از ورق وقتی به عنوان مهاربند به کار می‌روند. h/tw 1.00-E-RyFy 0.55-E-RyFy مثال نمونه - حالت 5
6 جزء به کار رفته در تیر یا ستون به صورت بال با تنش فشاری یکنواخت در اثر خمش، بار محوری یا ترکیب بار محوری و

 

خمش:

1) بال‌ها و جان‌های مقاطع قوطی شکل (HSS)

2) بال‌ها، جان و ورق‌های کناری مقاطع I شکل جعبه‌ای شده

3) بال‌ها و جان‌های مقاطع جعبه‌ای

 

 

 

 

 

 

 

 

b/t

h/t

 

b/t

h/t

 

b/t

h/t

[1]

3.76-2.61

[1]

2.45-2.26

مثال نمونه - حالت 6
اجزای با دو لبه متکی 7 جان یا جان‌های به کار رفته در تیرها، ستون‌ها و تیرهای پیوند تحت اثر خمش با ترکیب خمش و فشار:

 

1) جان مقاطع اشکل و ناودانی نوردشده و ساخته شده از ورق

2) ورق‌های کناری مقاطع I شکل جعبه‌ای شده

3) جان مقاطع جعبه‌ای به کار رفته در تیرها و ستون‌ها

 

 

 

 

 

 

 

 

 

h/tw

 

 

 

h/t

و

d/t

 

 

h/t

 

0.64-E-RyFy 0.55-E-RyFy مثال نمونه - حالت 7
8 جان مقاطع جعبه‌ای به کار رفته در تیرهای پیوند h/t 1.67-E-RyFy 0.64-E-RyFy مثال نمونه - حالت 8
9 جان مقاطع شمع‌های H شکل h/tw 1.50-E-RyFy کاربرد ندارد مثال نمونه - حالت 9
اجزای با دو لبه متکی 10 جدارۀ مقاطع دایره‌ای توخالی (به غیر از مهاربندها) D/t 0.07-E-RyFy 0.038-E-RyFy مثال نمونه - حالت 10
11 جدارۀ مقاطع دایره‌ای توخالی وقتی به عنوان مهاربند به کار روند D/t 0.062-E-RyFy 0.053-E-RyFy مثال نمونه - حالت 11
12 بال‌ها و جان‌های مقاطع قوطی شکل (HSS) پر شده با بتن بال‌ها و جان‌های مقاطع جعبه‌ای پر شده با بتن b/t 2.26-E-RyFy 1.40-E-RyFy مثال نمونه - حالت 12
13 جدارۀ مقاطع دایره‌ای شکل پرشده با بتن D/t 0.15-E-RyFy 0.076-E-RyFy مثال نمونه - حالت 13

یادداشت‌ها:

[1] مقدار Ca از رابطه زیر تعیین می‌شود:

  Ca

که در آن:

αs= ضریبی که مقدار آن در LRFD برابر 1.0 و در ASD برابر 1.5 است.

Pr= مقاومت محوری موردنیاز

Ry= نسبت تنش تسلیم مورد انتظار به تنش تسلیم مشخصه فولاد

Fy= تنش تسلیم مشخصه فولاد

Ag= سطح مقطع کل

8-2-3-10 مهار جانبی تیرها

در مواردی که در سیستم‌های باربر جانبی لرزه‌ای فولادی یا مختلط (مطابق بخش‌های 10-3-3 الی 10-3-6) الزام شده باشد، برای جلوگیری از کمائش جانبی – پیچشی تیرهای I شکل و H شکل، باید الزامات بندهای 10-3-2-8-1، 10-3-2-8-2 و 10-3-2-8-3 تأمین شوند. مهارهای جانبی ستون‌های I شکل و H شکل سیستم کنسولی فولادی ویژه، باید الزامات مهارهای جانبی تیرهای با شکل‌پذیری متوسط را تأمین نمایند.

1-8-2-3-10 مهارهای جانبی در اعضای با شکل‌پذیری متوسط

الف) تیرهای فولادی تنها

تیرهای فولادی با شکل‌پذیری متوسط باید الزامات زیر را برآورده نمایند:

1- هر دو بال تیر باید به صورت جانبی با مقطع تیر از طریق مهار پیچشی نقطه‌ای، مهار شود.

2- در طول تیر، فاصله مهارهای جانبی یا پیچشی نباید از Lb بیشتر باشد. ry شعاع ژیراسیون مقطع تیر حول محور ضعیف است.

3- مهارهای جانبی به کار رفته در هر دو بال تیر باید حداقل دارای مقاومت فشاری موجود برابر 0.02Mr-h0 باشند. هم‌چنین مهارهای جانبی باید حداقل دارای سختی برابر 1-ϕ در طراحی به روش LRFD و برابر Ω-10Ma-Lbh0 در طراحی به روش ASD باشند. مهارهای پیچشی نقطه‌ای به کار رفته در مقطع تیر باید دارای مقاومت خمشی موجود حداقل برابر 0.02Mr و دارای سختی دورانی حداقل برابر βT-1-βT-βsec باشند، که در آن:

(1-2-3-10) 10-2-10-1
(2-2-310) 10-3-2-2
(3-2-3-10) 10-3-2-3

E= مدول الاستیسیته فولاد

(4-2-3-10) 10-3-2-4

Iyc = ممان اینرسی بال فشاری نسبت به محور ضعیف مقطع

Iyt= ممان اینرسی بال کششی نسبت به محور ضعیف مقطع

c = فاصله محور خنثی تا دورترین تار فشاری مقطع

t= فاصله محور خنثی تا دورترین تار کششی مقطع

n= تعداد مهارهای پیچشی در طول دهانه تیر

tw = ضخامت جان مقطع تیر

tst = ضخامت سخت‌کننده‌های عرضی در جان تیر

bs = پهنای سخت‌کننده‌های عرضی جان برای سخت‌کننده‌های عرضی تکی در یک طرف جان و دو برابر آن برای سخت‌کننده‌های عرضی جفت در دو طرف جان

L = طول دهانه تیر

Mu = لنگر خمشی موردنیاز تیر در روش LRFD که باید برابر RyFyZ منظور شود.

Ma = لنگر خمشی موردنیاز تیر در روش ASD که باید برابر RyFyZ-1.5 منظور شود.

Mr = لنگر خمشی موردنیاز تیر که باید برابر RyFyZ-αs منظور شود.

αs = برابر 1.0 در روش LRFD و برابر 1.5 در روش ASD

Cb = ضریب اصلاح کمانش جانبی – پیچشی مطابق بخش 10-2-5

ho = فاصله بین مرکز سطح بالهای فوقانی و تحتانی

ب) تیرهای فولادی با دال بتنی متکی بر آن

در این نوع تیرها، در محدوده‌ای که بین دال بتنی و تیر فولادی برشگیر موردنیاز تعبیه شود، بال فوقانی تیر، مهارشده محسوب می‌شود. بال تحتانی تیر و بال فوقانی آن در سایر نواحی در صورت نیاز باید الزامات مهارهای جانبی حالت (الف) این بند را تأمین نمایند.

2-8-2-3-10 مهارهای جانبی در اعضای با شکل‌پذیری زیاد

الف) تیرهای فولادی تنها

تیرهای فولادی تنها با شکل‌پذیری زیاد باید الزامات مهارهای جانبی تیرهای فولادی تنها با شکل‌پذیری متوسط را برآورده نمایند، با این تفاوت که در طول تیر فاصله مهارهای جانبی یا پیچشی نباید از Lb بیشتر باشد، که در آن ry شعاع ژیراسیون مقطع تیر نسبت به محور ضعیف است.

ب) تیرهای فولادی با دال بتنی متکی بر آن

در این نوع تیرها، در محدوده‌ای که بین دال بتنی و تیر فولادی برشگیر موردنیاز تعبیه شود، بال فوقانی تیر، مهار شده محسوب می‌شود. بال تحتانی تیر و بال فوقانی آن در سایر نواحی در صورت نیاز باید الزامات مهارهای جانبی حالت (الف) این بند را تأمین نمایند.

پ) تیرهای مختلط محاط در بتن

تیرهای مختلط محاط در بتن با شکل‌پذیری زیاد باید الزامات زیر را برآورده نمایند:

1- هر دو بال تیر باید به صورت جانبی یا مقطع تیر از طریق مهار پیچشی نقطه‌ای، مهار شود.

2- در طول تیر، فاصله مهارهای جانبی یا پیچشی نباید از Lb بیشتر باشد که در آن، ry شعاع ژیراسیون مقطع تبدیل یافته حول محور کمانش تیر مختلط است.

3- مهارهای جانبی به کار رفته در هر دو بال تیر و مهارهای پیچشی نقطه‌ای به کار رفته در مقطع تیر مختلط محاط در بتن باید دارای حداقل مقاومت موجود و سختی نظیر مهارهای جانبی و پیچشی به کار رفته در تیرهای فولادی تنها با منظور نمودن Mr=Mp,exp باشد که در آن Mp,exp برابر با مقاومت خمشی مورد انتظار تیر مختلط محاط در بتن با منظور کردن Ry برای بخش فولادی و Rc برای بخش بتنی مقطع مختلط است.

3-8-2-3-10 مهار جانبی اضافی در نواحی مفصل پلاستیک

در مواردی که در الزامات سیستم‌های باربر جانبی لرزه‌ای، تعبیة مهارهای جانبی اضافی مقرر شده باشد، این مهارهای جانبی اضافی باید در مجاورت نواحی محل مورد انتظار تشکیل مفصل پلاستیک تیر تعبیه شود. در صورت نیاز به این نوع مهارهای جانبی اضافی، الزامات زیر باید رعایت شوند:

الف) تیرهای فولادی

در تیرهای فولادی، مهارهای جانبی اضافی باید الزامات زیر را تأمین نمایند:

1- هر دو بال تیر باید به صورت جانبی یا مقطع تیر از طریق مهار پیچشی نقطه‌ای، مهار شود.

2- مهارهای جانبی اضافی باید حداقل دارای مقاومت فشاری موجود 0.06RyFyZ-αsh0 و مهارهای پیچشی نقطه‌ای اضافی باید حداقل دارای مقاومت خمشی موجود برابر 0.06RyFyZ-αs باشند.

3- حداقل سختی موردنیاز مهارهای جانبی اضافی و حداقل سختی دورانی موردنیاز مهارهای پیچشی نقطه‌ای اضافی باید براساس Mr-RyFyZp-αs و مطابق بند 10-3-2-8-1 تأمین شود.

ب) تیرهای مختلط محاط در بتن

در تیرهای مختلط محاط در بتن، مهارهای اضافی باید الزامات زیر را ارضاء نماید:

1- هر دو بال تیر باید به صورت جانبی یا مقطع تیر از طریق مهار پیچشی نقطه‌ای، مهار شود.

2- مهارهای جانبی اضافی باید حداقل دارای مقاومت فشاری موجود 0.06Mp-exp-αsh0 و مهارهای پیچشی نقطه‌ای اضافی باید حداقل دارای مقاومت خمشی موجود برابر 0.06Mp-exp-αs باشند که در آن مقاومت مورد انتظار تیر مختلط محاط در بتن با منظور کردن Ry برای بخش فولادی و Rc برای بخش بتنی است.

3- حداقل سختی موردنیاز مهارهای جانبی اضافی و حداقل سختی دورانی موردنیاز مهارهای پیچشی نقطه‌ای اضافی باید براساس Mr= Mp,exp و مطابق بند 10-3-2-8-1 تأمین شود.

9-2-3-10 الزامات طراحی لرزه‌ای ستون‌ها

کلیه ستون‌هایی که جزئی از سیستم باربر لرزه‌ای هستند، علاوه بر تأمین الزامات فصل‌های 10-1و 10-2، باید الزامات این بخش را نیز برآورده نمایند.

1-9-2-3-10 مقاومت خمشی و محوری موردنیاز

در کلیه سیستم‌های باربر لرزه‌ای، مقاومت خمشی و محوری موردنیاز ستون‌ها نباید از بحرانی‌ترین آثار به دست آمده از دو حالت زیر کمتر در نظر گرفته شود:

الف) آثار حاصل از «الزامات تحلیل» مقررشده در هر یک از سیستم‌های باربر لرزه‌ای مطابق با بخش‌های بعدی این فصل

ب) مقاومت فشاری و کششی محوری موردنیاز به دست آمده از تحلیل سازه برای ترکیبات بارگذاری شامل زلزله تشدیدیافته. در این حالت می‌توان از آثار هر گونه لنگر در ستون‌ها صرف نظر نمود، مگر آن که لنگرها از بارهای وارده در بین دو انتهای ستون ناشی شده باشند.

تبصره 1: در مواردی که مطابق مبحث ششم مقررات ملی ساختمان، ترکیب نیروی زلزله راستاهای از متعامد ضرورت داشته باشد، الزامات طراحی لرزه‌ای ستون‌ها باید برای ترکیب نیروهای زلزله راستاهای متعامد نیز مورد کنترل قرار گیرد.

تبصره 2: کنترل برش دوطرفه (برش پانچ) شالوده ساختمان برای نیروی محوری ناشی از ترکیبات بارگذاری شامل زلزله تشدید یافته، بدون در نظر گرفتن نیروهای برشی و لنگرهای خمشی، الزامی است.

2-9-2-3-10 مقاومت برشی موردنیاز

در کلیه سیستم‌های باربر لرزه‌ای، مقاومت برشی موردنیاز ستون‌ها نباید از برش حاصل از «الزامات تحلیل» مقررشده در هر یک از سیستم‌های باربر لرزه‌ای مطابق با بخش‌های بعدی این فصل در اثر مکانیزم تشکیل مفاصل پلاستیک در محل‌های مقررشده کمتر در نظر گرفته شود. درهرحال مقاومت برشی موردنیاز ستون‌های باربر لرزه‌ای نباید از Mpc-αsH کمتر در نظر گرفته شود. هم‌چنین مقاومت برشی موردنیاز ستون‌هایی که بخشی از سیستم باربر لرزه‌ای نیستند، نباید از 1-2-Mpc-αsH کمتر در نظر گرفته شود. که در آن: Mpc لنگر پلاستیک مقطع ستون، H ارتفاع طبقه و αs برابر 1.0 در روش LRFD و برابر 1.5 در روش ASD است.

3-9-2-3-10 الزامات ستون‌های با مقطع مختلط محاط در بتن

ستون‌های با مقطع مختلط محاط در بتن علاوه بر الزامات فصل 10-2-8 باید الزامات اضافی مقرر شده در زیر را وقتی به عنوان اعضای با شکل‌پذیری متوسط (در صورت کاربرد) یا زیاد در سیستم‌های مختلط به کار می‌روند، ارضاء نمایند.

الف) اعضای با شکل‌پذیری متوسط

1- فاصله میلگردهای عرضی در نواحی بحرانی بالا و پایین ستون (l0) که باید از بر اتصال تیر به ستون به داخل ستون امتداد داشته باشد، نباید از مقادیر زیر بزرگتر در نظر گرفته شود:

– نصف بعد کوچکتر مقطع ستون

– 8 برابر قطر میلگردهای طولی ستون

– 24 برابر قطر میلگردهای عرضی ستون

– 300 میلی‌متر

2- در نواحی بحرانی بالا و پایین ستون، ناحیه بحرانی (l0) نباید از مقادیر زیر کوچکتر در نظر گرفته شود:

– یک ششم ارتفاع آزاد ستون

– بعد بزرگتر مقطع ستون

– 450 میلی‌متر

3- در سایر نواحی ستون (خارج از ناحیه l0) فاصله میلگردهای عرضی نباید از دو برابر فواصل تعیین شده در حالت (1) بیشتر در نظر گرفته شود.

4- الزامات مربوط به وصله میلگردها و سایر مقررات مربوط به میلگردها باید مطابق با الزامات لرزه‌ای مبحث نهم مقررات ملی ساختمان باشد.

5- استفاده از مفتول‌های جوش داده شده به عنوان میلگردهای عرضی مجاز نیست.

ب) اعضای با شکل‌پذیری زیاد

ستون‌های با مقطع مختلط محاط در بتن که به عنوان عضو با شکل‌پذیری زیاد در سیستم‌های مختلط به کار می‌روند، علاوه بر تأمین الزامات اعضای با شکل‌پذیری متوسط، باید الزامات زیر را نیز برآورده نمایند:

1- میلگردهای طولی باربر باید الزامات لرزه‌ای مبحث نهم مقررات ملی ساختمان را برآورده نمایند.

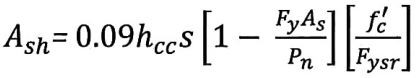
2- میلگردهای عرضی باید به صورت دورگیر مطابق با الزامات مبحث نهم مقررات ملی ساختمان بوده و الزامات زیر را نیز برآورده نمایند:

  • مساحت میلگردهای دورگیر (Ash) نباید از مقدار به دست آمده از رابطه زیر کمتر در نظر گرفته شود:
(5-2-3-10) 10-3-2-5

که در آن:

As = مساحت مقطع هسته فولادی

Fy= تنش تسلیم مشخص هسته فولادی

Fysr= تنش تسلیم مشخصه میلگردهای عرضی

Pn= مقاومت فشاری اسمی مقطع مختلط

hcc = بعد بزرگتر هسته محصورشده مقطع که از مرکز تا مرکز میلگردهای عرضی دورگیر اندازه‌گیری می‌شود.

s= فاصله میلگردهای عرضی بسته مقطع در راستای طولی عضو

f’c= تنش فشاری مشخصه نمونه استوانه‌ای بتن

تبصرہ: اگر مقاومت فشاری اسمی هسته فولادی محاط در بتن به تنهایی از نیروی فشاری حاصل از ترکیب بار D+0.5L بزرگ‌تر باشد، رعایت رابطه 10-3-2-5 الزامی نیست.

  • در خارج از نواحی بحرانی طول ستون، فاصله میلگردهای عرضی در راستای طولی ستون نباید از شش برابر قطر میلگرد طولی و 150 میلی‌متر بیشتر در نظر گرفته شود.
  • در نواحی بحرانی طول ستون، فاصله میلگردهای عرضی در راستای طولی ستون نباید از یک چهارم بعد کوچکتر مقطع ستون و 100 میلی‌متر بیشتر در نظر گرفته شود.
  • در هر مقطع ستون، فاصله مرکز تا مرکز هر دو ساق مجاور میلگردهای عرضی نباید از 350 میلی‌متر بیشتر در نظر گرفته شود.

3- در قاب‌های مهاربندی شده مختلط، ستون‌های با مقطع مختلط محاط در بتنی که مقاومت موردنیاز آن‌ها بدون در نظر گرفتن زلزله تشدید یافته بیشتر از 0.2Pn باشد و مقاومت اسمی هسته فولادی مدفون در ستون به تنهایی از نیروهای فشاری حاصل از ترکیب بارگذاری D+0.5L کوچک‌تر باشد، فاصله آرماتورهای عرضی در سرتاسر طول ستون باید همانند فاصله آرماتورهای عرضی در ناحیه بحرانی باشد.

4- ستون‌های مختلطی که بارهای حاصل از دیوارهای برشی یا مهاربندی قطع شده را تحمل می‌نمایند، درصورتی که مقاومت موردنیاز آن‌ها بدون در نظر گرفتن زلزله تشدید یافته بیش از 0.1Pn باشد، فاصله آرماتورهای عرضی در سرتاسر طول ستون باید همانند فاصله آرماتورهای عرضی در ناحیه بحرانی باشد. در صورتی که مقاومت اسمی هسته فولادی محاط در بتن به تنهایی از نیروهای فشاری حاصل از ترکیب بارگذاری D+0.5L بزرگ‌تر باشد، رعایت این ضابطه الزامی نیست.

5- هنگامی که ستون به پی منتهی می‌شود، میلگردهای عرضی مقررشده در ناحیه ویژه باید حداقل 300 میلی‌متر در پی ادامه داشته باشد. هم‌چنین در مواردی که ستون به یک دیوار منتهی می‌شود، در آن طبقه میلگردگذاری عرضی سرتاسر طول ستون باید مطابق میلگردهای عرضی مقررشده در ناحیه بحرانی باشد و با همین آرایش، حداقل به اندازه طول گیرایی میلگردهای طولی در دیوار ادامه یابد.

4-9-2-3-10 ستون‌های مختلط پرشده با بتن

در صورتی که در ستون‌های مختلط پرشده با بتن از میلگردهای طولی استفاده شده باشد، جزئیات‌بندی آرماتورهای طولی و عرضی باید مطابق با الزامات مبحث نهم مقررات ملی ساختمان باشد.

10-2-3-10 الزامات طراحی لرزه‌ای اعضای فولادی ساخته شده

در صورتی که در بخش اتصالات پیش تأییدشده ضوابطی برای تعیین مقاومت‌های موردنیاز اتصال اجزای مقاطع فولادی ساخته شده با یکدیگر ارائه نشده باشد، در این صورت رعایت ضوابط زیر الزامی است:

الف) اتصالات بین اجزای اعضای ساخته شده فولادی و مختلط که دارای رفتار فرا ارتجاعی هستند، باید بتوانند حداکثر نیروهای مورد انتظاری که از رفتار فرا ارتجاعی آن‌ها ناشی می‌شود، را تحمل نمایند.

ب) اتصالات بین اجزای اعضای ساخته شده فولادی و مختلط که از آن‌ها انتظار رفتار فرا ارتجاعی نمی‌رود، باید برای آثار ناشی از ترکیبات مختلف بارگذاری شامل زلزله تشدیدیافته طراحی شوند.

پ) چنانچه اتصالات بین اجزای اعضای ساخته شده در ناحیه حفاظت شده قرار داشته باشند، این اتصالات در طول ناحیه حفاظت شده باید دارای مقاومت موجود حداقل برابر RyFytP/as باشند که در آن tp ضخامت جزء متصل شونده نازک‌تر است.

11-2-3-10 الزامات عمومی لرزه‌ای اتصالات
1-11-2-3-10 الزامات کلی اتصالات

الف) اتصالات، شامل وسائل اتصال و اجزای اتصال دهنده‌ای که بخشی از سیستم‌های باربر جانبی باشند، علاوه بر رعایت الزامات بخش 10-2-9، باید الزامات تکمیلی داده شده در این بخش را نیز برآورده نمایند.

ب) پیچ‌ها و جوشها نباید به طور همزمان در تحمل هر یک از مؤلفه‌های نیروهای ناشی از بارهای زلزله در یک سمت اتصال به کار گرفته شوند.

2-11-2-3-10 اتصالات پیچی

اتصالات پیچی کلیه اعضای باربر جانبی لرزه‌ای می‌تواند از نوع پیش‌تنیده (با رعایت الزامات فصل 10-2) یا لغزش بحرانی باشد. در این گونه اتصالات علاوه بر الزامات فصل 10-2 الزامات زیر نیز باید رعایت شوند:

الف) تحت اثر برش ناشی از نیروهای زلزله، سوراخ پیچ‌ها می‌تواند از نوع استاندارد یا لوبیایی کوتاه با شیار عمود بر جهت نیرو باشد. در این نوع اتصالات استفاده از سوراخ‌های بزرگ شده به شرطی مجاز است که:

1- اتصال مربوط به عضو مهاربندی باشد؛

2- سوراخ‌های بزرگ شده فقط در یکی از ورق‌های اتصال تعبیه شده باشد؛

3- اتصال به صورت لغزش بحرانی طراحی شود.

ب) تحت اثر کشش خالص ناشی از نیروهای زلزله، سوراخ پیچ‌ها می‌تواند از نوع استاندارد یا بزرگ شده و یا لوبیایی کوتاه باشد.

پ) سطوح تماس کلیه اتصالات باید دارای شرایط سطحی حداقل کلاس A باشند.

استثناء: در حالت‌های زیر سطوح تماس می‌تواند دارای شرایط سطحی کمتر از کلاس A باشند:

1- اتصالات گیردار فلنجی پیش تأییدشده در قاب‌های خمشی؛

2- اتصالاتی که در آن‌ها انتقال نیروهای ناشی از زلزله از طریق کشش یا فشار و نه از طریق برش در پیچ‌ها صورت گیرد.

3-11-2-3-10 اتصالات جوشی

در اتصالات جوشی علاوه بر رعایت الزامات تکمیلی که در بخش‌های بعدی این فصل و نیز در فصل چهارم این مبحث به آن‌ها اشاره شده است، رعایت ضوابط لرزه‌ای اضافی دیگری الزامی نیست.

4-11-2-3-10 ورق‌های پیوستگی و تقویت کننده‌ها

در طراحی ورق‌های پیوستگی و سخت‌کننده‌های جان رعایت ضوابط بخش 10-4-9 برای اعضای با مقاطع نوردشده الزامی است.

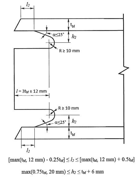
5-11-2-3-10 سوراخ‌های دسترسی جایگزین

در بخش‌های مشخص شده در این فصل، باید از دیتیل جایگزین برای سوراخ‌های دسترسی اتصالات خمشی مطابق شکل 10-3-2-1 استفاده شود. لبۀ جان باید از سطح بال تا سطح تورفتگی سوراخ دسترسی به صورت شیب‌دار، کاملاً یکنواخت و بدون گوشه‌های تیز باشد. حداکثر ناهمواری مجاز سطح لبه‌های تمام شدۀ سوراخ‌های دسترسی برابر 13 میکرون است.

دیتیل جایگزین برای سوراخ‌های دسترسی اتصالات خمشی

شکل 10-3-2-1: دیتیل جایگزین برای سوراخ‌های دسترسی اتصالات خمشی

12-2-3-10 وصله ستون‌ها
1-12-2-3-10 موقعیت وصله‌های کارگاهی

برای کلیه ستون‌های ساختمان‌ها، شامل ستون‌های باربر و غیرباربر جانبی، فاصله محل درز وصله نباید از 1200 میلی‌متر به نزدیک‌ترین بال تیر متصل به ستون کوچکتر باشد.

استثناء:

(1) در جایی که ارتفاع آزاد ستون کمتر از 2.4 متر باشد، محل وصله باید در وسط ارتفاع آزاد ستون در نظر گرفته شود.

(2) ستون‌هایی که بال‌ها و جان‌های آن‌ها در کارخانه توسط جوشهای شیاری با نفوذ کامل، وصله می‌شوند، می‌تواند در موقعیتی نزدیک‌تر به اتصال بال تیر به ستون قرار گیرند، مشروط بر آنکه این فاصله از اندازه بعد بزرگتر ستون کوچکتر نباشند.

(3) در ستون‌های جعبه‌ای ساخته شده از ورق، اگر اجرای ورق‌های پیوستگی از طریق بعد چهارم ستون و در کارخانه صورت گیرد، محل درز وصله ورق بعد چهارم ستون می‌تواند کوچکتر از اندازه بعد بزرگتر ستون کوچکتر وصله شونده باشد، اما در هر حال نباید از نصف بعد بزرگتر ستون کوچکتر وصله شونده، کمتر باشد.

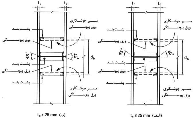
(4) در مواردی که درز لب به لب ورق‌های بال یا جان ستون‌های قوطی شکل (HSS) یا جعبه‌ای ساخته شده از ورق در کارخانه و به صورت شیاری با نفوذ کامل انجام شود و نیز استفاده از ورق‌های دیافراگم داخلی (ورق‌های پیوستگی) مدنظر باشد، محل درز وصله می‌تواند مطابق شکل 10-3-2-1 درست در وسط چشم اتصال و در امتداد محور طولی تیر باشد. در این حالت در محل درز وصله برای انجام جوش شیاری با نفوذ کامل استفاده از ورق‌های پشت‌بند اجباری است.

گزینه دیگر موقعیت وصله کارخانه‌ای ستون‌ها

شکل 10-3-2-2: گزینه دیگر موقعیت وصله کارخانه‌ای ستون‌ها

2-12-2-3-10 مقاومت موردنیاز وصله ستون

وصلی ستون‌های به کار رفته در سیستم‌های باربر جانبی لرزه‌ای علاوه بر تأمین ضوابط فصل 10-2 باید دارای مقاومت موجود کافی، حداقل برابر مقاومت‌های موردنیاز زیر باشند که باید به طور هم زمان در نظر گرفته شوند:

الف) مقاومت محوری و خمشی موردنیاز

مقاومت محوری و خمشی موردنیاز وصله ستون‌های غیرباربر لرزه‌ای باید مطابق بند 10-2-9-6 در نظر گرفته شود. مقاومت محوری و خمشی موردنیاز وصله ستون‌های به کار رفته در سیستم‌های باربر جانبی لرزه‌ای در هر یک از امتدادهای اصلی مقطع ستون باید براساس بزرگ‌ترین مقدار به دست آمده از حالتهای زیر در نظر گرفته شود:

1- مقاومت محوری و خمشی موردنیاز ستون ناشی از ترکیبات متعارف بارگذاری شامل زلزله طرح

2- مقاومت محوری و خمشی موردنیاز به دست آمده در محل وصله ناشی از ترکیبات بارگذاری شامل زلزله تشدید یافته.

3- مقاومت محوری و خمشی موردنیاز ستون مطابق الزامات تحلیل مقررشده در بخش‌های 10-3-3، 10-3-4، 10-3-5 و 10-3-6.

4- مقاومت محوری و خمشی موردنیاز وصل ستون مطابق الزامات مقررشده در بخش‌های 10-3-3، 10-3-4، 10-3-5 و 10-3-6 برای وصلۀ ستون‌ها.

ب) مقاومت برشی موردنیاز

مقاومت برشی موردنیاز وصلة کلیة ستون‌های باربر و غیرباربر لرزه‌ای در هر یک از امتدادهای اصلی مقطع ستون باید براساس بزرگ‌ترین مقدار به دست آمده از حالت‌های زیر در نظر گرفته شود:

1- مقاومت برشی موردنیاز ستون ناشی از ترکیبات متعارف بارگذاری شامل زلزله طرح

2- مقاومت برشی موردنیاز به دست آمده در محل وصله ناشی از ترکیبات بارگذاری شامل زلزله تشدید یافته؛

3- مقاومت برشی موردنیاز ستون مطابق الزامات تحلیل مقررشده بخش‌های 10-3-3، 10-3-4، 10-3-5 و 10-3-6.

4- مقاومت برشی موردنیاز وصله ستون مطابق الزامات مقررشده بخش‌های 10-3-3، 10-3-4، 10-3-5 و 10-3-6 برای وصلۀ ستون‌ها.

3-12-2-3-10 جزئیات‌بندی و صله ستون‌ها

الف) اتصال وصله ستون به هر یک از دو قطعه ستون وصله شونده باید با یک نوع وسیلة اتصال، جوش یا پیچ پر مقاومت، انجام شود و در مقطع عدم تقارن ایجاد نکند. اتصال وصله به یکی از قطعات ستون تمام جوشی و به دیگری تمام پیچی نیز مجاز است.

ب) در وصله لب به لب بین ورق‌های با پهنا یا ضخامت متفاوت که در بال یا جان ستون به کار می‌روند، تغییر تدریجی در پهنا یا ضخامت، از ورق بزرگتر به ورق کوچکتر، باید با شیب حداکثر 1 به 2.5 صورت گیرد.

پ) در وصله ستون‌های با ابعاد و مقطع متفاوت، به جای استفاده از ورق‌های پرکننده با ضخامتهای زیاد، ارجح است ابتدا مقطع بزرگ‌تر با شیب حداکثر 1 به 6 به مقطع کوچکتر تبدیل شده و سپس اتصال وصله صورت گیرد.

ت) در محل وصلی ستون‌های متشکل از چند نیمرخ لازم است هر یک از ستون‌های وصل شونده در ارتفاعی حداقل به اندازه بعد بزرگتر مقطع ستون به صورت یکپارچه درآیند و سپس وصله شوند.

ث) جزئیات‌بندی بخش بتنی وصله ستون‌های با مقطع مختلط محاط در بتن و نیز جزئیات‌بندی ستون‌های بتن‌آرمه که ممکن است در سیستم‌های لرزه‌ای مختلط کاربرد داشته باشد، باید الزامات عمومی مربوط به ستون‌های با مقطع مختلط محاط در بتن (مطابق بند 10-3-2-9-3) و هم‌چنین الزامات لرزه‌ای ستون‌های بتن‌آرمه (مطابق مبحث نهم مقررات ملی ساختمان) را برآورده نماید.

ج) در هر طرف محل درز وصله، طول ورق‌های وصله در راستای محور طولی ستون نباید از نصف پهنای جزء وصله شونده کوچک‌تر در نظر گرفته شود.

ج) در وصله‌های جوشی، در صورت استفاده از ورق‌های گوشواره‌ای (ناودان جوش) پس از تکمیل جوش‌کاری، این ورق‌ها باید برداشته شوند. برداشتن ورق‌های پشت‌بند جوشهای شیاری با نفوذ کامل الزامی نیست.

ح) جزئیات‌بندی وصله ستون‌ها باید الزامات تکمیلی مقررشده بخش‌های 10-3-3، 10-3-4، 10-3-5 و 10-3-6 برای وصله ستون‌ها را تأمین نمایند.

13-2-3-10 وصله تیرها

وصله تیرهای باربر جانبی لرزه‌ای علاوه بر الزامات فصل 10-2، باید الزامات زیر را تأمین کنند:

الف) وصله تیرها باید خارج از ناحیه حفاظت شده در انتهای تیر قرار گیرد.

ب) در وصله مستقیم بین ورق‌های با پهنا یا ضخامت متفاوت که در بال یا جان تیرها به کار می‌روند، تغییر تدریجی در پهنا یا ضخامت، از ورق بزرگ‌تر به ورق کوچکتر، باید با شیب حداکثر 1 به 2.5 صورت گیرد.

پ) مقاومت‌های موردنیاز وصله تیرها باید براساس الزامات بخش‌های 10-3-3 تا 10-3-6 تعیین شود. در صورتی که در بخش‌های مورد اشاره برای مقاومت‌های موردنیاز وصله تیرها الزام خاصی ارائه نشده باشد، مقاومت‌های موردنیاز وصله تیرها نباید از مقاومت‌های موردنیاز وصله تیرها در قاب‌های خمشی معمولی کوچکتر در نظر گرفته شود.

14-2-3-10 الزامات لرزه‌ای کف ستون‌ها

حل در کلیه ستون‌های باربر و غیرباربر لرزه‌ای، کف ستون‌ها (شامل ورق کف ستون، میل مهارها، ورق‌های تقویتی و …) علاوه بر تأمین ضوابط فصل 10-2 باید دارای مقاومت موجود کافی، حداقل برابر مقاومت‌های موردنیاز زیر که باید به طور همزمان در نظر گرفته شوند، باشند.

الف) مقاومت محوری موردنیاز

مقاومت محوری موردنیاز کنستون ستون‌هایی که بخشی از سیستم‌های باربر لرزه‌ای هستند، نباید از بزرگترین دو مقدار زیر کوچک‌تر در نظر گرفته شود

1- بار محوری محاسبه شده در محل گره اتصال پای ستون ناشی از ترکیبات بارگذاری شامل زلزله تشدید یافته؛

2- بار محوری محاسبه شده در محل گره اتصال پای ستون ناشی از زلزله محدود به ظرفیت مقررشده در الزامات تحلیل هر سیستم (در صورت کاربرد).

تبصره: مقاومت محوری موردنیاز کف ستون ستون‌هایی که بخشی از سیستم‌های باربر لرزه‌ای نیستند، می‌تواند براساس ترکیبات متعارف بارگذاری تعیین شود.

ب) مقاومت خمشی موردنیاز

در ستون‌هایی که دارای اتصال خمشی به شالوده هستند، مقاومت خمشی موردنیاز کف ستون ستون‌هایی که بخشی از سیستم باربر لرزه‌ای هستند، باید به شرح زیر از مجموع مقاومت موردنیاز خمشی اتصالات اعضای فولادی منتهی به کف ستون در نظر گرفته شود:

1- برای مهاربندها، مقاومت خمشی موردنیاز اتصال عضو مهاربندی به کف ستون در صورت عدم رعایت جزئیات سازگاری ورق اتصال با کمانش خارج از صفحه؛

2- برای ستون‌ها، حداکثر مقاومت خمشی مورد انتظار ستون مطابق رابطه 1.1RyFyZ/αو لنگر خمشی محاسبه شده بر اساس ترکیب بارگذاری شامل زلزلۀ تشدیدیافته.

تبصره: برای ستون‌های دارای اتصال مفصلی، از مقاومت خمشی موردنیاز ستون صرفنظر می‌شود.

پ) مقاومت برشی موردنیاز

مقاومت برشی موردنیاز کف ستون‌های کلیه ستون‌های باربر و غیرباربر لرزه‌ای باید به شرح زیر از مجموع مقاومت موردنیاز مؤلفه افقى اتصالات اعضای فولادی منتهی به ورق کف ستون به دست آید؛ ولی در هر حال نباید از (FyZ/(αsH ستون کمتر باشد که در آن H ارتفاع طبقه و αs برابر 1.0 در روش LRFD و برابر 1.5 در روش ASD است:

1- برای مهاربندها، مؤلفه افقی مقاومت محوری موردنیاز اتصال عضو مهاربندی.

2- برای ستون‌ها، کوچک‌ترین دو مقدار 2RyFyZ/(αsH) و نیروی برشی محاسبه شده تحت اثر ترکیبات بارگذاری شامل زلزله تشدید یافته.

تبصره: درصورتی‌که اتصال ستون به کف ستون مفصلی باشد، در محاسبۀ مقاومت برشی موردنیاز کف‌ستون، برش افقی متناظر با مهاربندها باید برابر مؤلفۀ افقی مقاومت محوری موردنیاز اتصال عضو مهاربندی و برش افقی متناظر با ستون برابر مقدار محاسبه شده از تحلیل سازه تحت اثر ترکیبات بارگذاری شامل زلزلۀ تشدید یافته درنظر گرفته شود، ولی در هر حال برش افقی متناظر با ستون نباید از FyZ/(αsH) ستون کمتر باشد..

15-2-3-10 اتصالات در سیستم‌های باربر لرزه‌ای مختلط

اتصالات سیستم‌های باربر لرزه‌ای مختلط باید ضوابط زیر را تأمین نمایند:

الف) انتقال نیرو بین بخش فولادی و بتن‌آرمه از طریق چسبندگی بین فولاد و بتن مجاز نبوده و باید از طریق یکی از روش‌های زیر صورت گیرد:

1- اتکای مستقیم بین بخش‌های مختلف

2- اتصال برشی بین بخش‌های مختلف

3- برش اصطکاک

4- ترکیبی از سه روش فوق به شرط آنکه همسازی کافی بین مکانیزم‌های مختلف برقرار باشد.

ب) مقاومت اتکایی و برش اصطکاک باید براساس ضوابط مبحث نهم مقررات ملی ساختمان تعیین شود. برای سیستم‌های قاب خمشی مختلط ویژه، قاب مهاربندی شده همگرای مختلط ویژه، قاب مهاربندی شده واگرای مختلط و دیوار برشی مختلط ویژه، مقاومت اتکایی اسمی و برش اصطکاک باید 25 درصد کاهش داده شود.

پ) در محل اتصال تیرهای فولادی به ستون‌ها یا دیوارهای بتن‌آرمه، تعبیه سخت‌کننده‌های عرضی در بین دو بال تیر الزامی است.

ت) در ستون‌های مختلط محاط در بتن، مقاومت برشی اسمی چشمه اتصال باید براساس مجموع مقاومت برشی اسمی ورق فولادی و مقاومت برشی اسمی بتن محصورشده تعیین شود.

ث) در بخش بتن‌آرمه در محل اتصالات جهت تحمل کل نیروهای کششی باید از میلگردهای محصور شده با میلگردهای عرضی، استفاده شود. کلیه میلگردها باید مطابق مبحث نهم مقررات ملی ساختمان دارای طول گیرایی کافی باشند.

ج) در اتصالات دیافراگم‌های کف، میلگردهای دیافراگم باید قادر به تحمل کلیه نیروهای کششی درون صفحه‌ای در کلیه مقاطع بحرانی که شامل اتصال دیافراگم به اعضای جمع کننده، ستون‌ها، مهاربندها و دیوارها باشند.

چ) در ناحیه اتصال بین تیر فولادی یا مختلط و ستون بتن‌آرمه یا مختلط محاط در بتن، باید از میلگردهای عرضی بسته (دورگیر) استفاده شود.

16-2-3-10 الزامات همسازی اعضای غیرباربر لرزه‌ای

در ساختمان‌هایی که در آن‌ها بخشی از اعضا و اتصالات جزئی از سیستم باربر لرزه‌ای نیستند، اما از طریق دیافراگم‌های کف با سیستم باربر لرزه‌ای مرتبط هستند، اعضا و اتصالات غیرباربر لرزه‌ای باید بتوانند بارهای ثقلی و آثار P-Δ ناشی از آن‌ها در حضور تغییرمکان جانبی نسبی غیرخطی طرح را تحمل نمایند. در صورتی که در این بخش از ساختمان اتصالات تیرها به ستون‌ها مفصلی باشد، رعایت ضابطه دیگری غیراز آنچه در فصل 10-2 این مبحث آمده است، الزامی نیست. اما چنانچه اتصالات تیرها به ستون‌ها گیردار باشند، این اتصالات باید الزامات مربوط به قاب‌های خمشی معمولی را تأمین نمایند.

17-2-3-10 ناحیه حفاظت شده اعضا

ناحیه حفاظت شده در یک عضو از سازه که شامل ناحیه شکل‌پذیر و نواحی مجاور آن است، به ناحیه‌ای از عضو اطلاق می‌شود که انتظار می‌رود در این ناحیه تغییرشکل‌های فرا ارتجاعی ایجاد شود. نظر به اهمیت ناحیه حفاظت شده و رفتار حساس آن در حرکات رفت و برگشتی سازه، این ناحیه باید عاری از هرگونه عملیاتی باشد که موجب مخدوش شدن عملکرد شکل‌پذیر عضو در این ناحیه می‌شود. در هر یک از سیستم‌های باربر جانبی لرزه‌ای، موقعیت و طول ناحیه حفاظت شده باید مطابق بخش‌های بعدی این فصل تعیین شود. هم‌چنین به منظور جلوگیری از مخدوش شدن عملکرد شکل‌پذیر عضو، در ناحیه حفاظت شده اعضا باید الزامات عمومی زیر نیز رعایت شود:

الف) در ناحیه حفاظت شده اعضای سیستم‌های باربر جانبی لرزه‌ای متوسط و ویژه، به کار بردن وصله مستقیم یا غیرمستقیم جوشی یا پیچی نیمرخ‌ها یا ورق‌های تشکیل‌دهنده عضو ممنوع است.

ب) هرگونه ناپیوستگی ناشی از عملیات اجرائی اضافی در ساخت و نصب مانند سوراخ‌کاری جوش‌های موضعی، تخلیه جوش، وسایل کمکی برای نصب، ناصافی‌های ناشی از برش‌های حرارتی در ناحیه حفاظت شده اعضا ممنوع بوده و در صورت وجود باید به نحو مناسبی برطرف شده و تعمیر گردد. از

پ) در ناحیه حفاظت شده به‌کارگیری گل میخ‌های فولادی با هر نوع برشگیر فولادی در بال تیرها ممنوع است، مگر آن که در اتصالات پیش تأییدشده مجاز دانسته شده باشد.

ت) خال جوش کردن عرشه فولادی تیرهای مختلط در ناحیه حفاظت شده در صورتی که در این ناحیه بال تیر را دچار آسیب ننماید، مجاز است.

ث) به‌کارگیری هرگونه اتصال جوشی یا پیچی برای اتصالات اجزای نما، دیوارهای داخلی و خارجی، تیرهای نعل درگاهی، تیرهای فرعی سقف، نگه دارنده‌های تأسیساتی در محدوده شکل‌پذیر ناحیه حفاظت شده اعضای سیستم باربر جانبی لرزه‌ای ممنوع است.

همه فصول

مشخصات آیین‌نامه

تعداد فصول: 39 فصل
سال انتشار: 1401
ویرایش: پنجم

جستجو در آیین‌نامه‌ها

ناشرین آیین‌نامه‌ها

مقررات ملی ساختمان

قوانین، آیین‌نامه‌ها، شیوه‌نامه‌ها، دستورالعمل‌ها و بخشنامه‌های ساختمان

نظام مهندسی ساختمان

ضوابط، بخشنامه‌ها، نشریه‌ها و معیار‌های فنی نظام مهندسی ساختمان

مرکز تحقیقات راه، مسکن و شهرسازی

قوانین، آیین‌نامه‌ها و بخشنامه‌های مرکز تحقیقات راه، مسکن و شهرسازی

سازمان برنامه و بودجه کشور

ضوابط، بخشنامه‌ها و قوانین سازمان برنامه و بودجه کشور

سازمان ملی استاندارد ایران

استانداردهای کمیته‌های مختلف سازمان ملی استاندارد ایران

سازمان تامین اجتماعی کشور

مقررات و آیین‌نامه‌های درمانی و بیمه‌ای سازمان تامین اجتماعی کشور

ضوابط فنی و اجرایی شهرداری‌ها

ضوابط، بخشنامه‌ها، نشریه‌ها و معیار‌های فنی شهرداری‌های کشور

ضوابط فنی و اجرایی وزارت بهداشت

ضوابط، بخشنامه‌ها، نشریه‌ها و معیار‌های فنی وزارت بهداشت

ضوابط فنی و اجرایی وزارت نیرو-آبفا

ضوابط، بخشنامه‌ها، نشریه‌ها و معیار‌های فنی وزارت نیرو-آبفا

ضوابط سازمان بنادر و دریانوردی

ضوابط، بخشنامه‌ها، نشریه‌ها و معیار‌های فنی سازمان بنادر و دریانوردی

ضوابط فنی و اجرایی وزارت نفت

ضوابط، بخشنامه‌ها، نشریه‌ها و معیار‌های فنی وزارت نفت

قوانین و مقررات مالیاتی کشور

قوانین، مقررات، ضوابط و دستورالعمل‌هاى مالیاتى سازمان مالیات كشور

تازه‌ترین فصل‌ها

واژه‌نامه

مبحث هفدهم مقررات ملی ساختمان (سامانه گاز طبیعی در ساختمان)

پیوست ۶ دسته‌بندی نوع دستگاه‌‌‌های گازسوز

مبحث هفدهم مقررات ملی ساختمان (سامانه گاز طبیعی در ساختمان)

پیوست 5 شکل‌ها

مبحث هفدهم مقررات ملی ساختمان (سامانه گاز طبیعی در ساختمان)

پیوست 4 جدول‌ها

مبحث هفدهم مقررات ملی ساختمان (سامانه گاز طبیعی در ساختمان)

پیوست 3 ایمنی و ضوابط بهره‌برداری و نگهداری از سیستم لوله‌‌کشی گاز

مبحث هفدهم مقررات ملی ساختمان (سامانه گاز طبیعی در ساختمان)

پیوست 2 نمونه محاسبات

مبحث هفدهم مقررات ملی ساختمان (سامانه گاز طبیعی در ساختمان)

پیوست 1 راهنمای ایمنی

مبحث هفدهم مقررات ملی ساختمان (سامانه گاز طبیعی در ساختمان)